При самостоятельном выполнении ремонтных работ важно четко знать назначение каждой детали. Элементы ходовой части автомобиля не являются технически сложными устройствами, но их состояние должно постоянно инспектировать, чтобы обеспечить безопасность эксплуатации транспортного средства. Ступица является одной из важнейших деталей этой системы.
Что такое ступица
Ступица представляет собой центральную часть вращающейся детали, на которую устанавливается колесо автомобиля. На этом элементе, как правило, расположены шпильки для крепления колеса либо отверстия под болты, которые используются с этой же целью.
Внутреннее отверстие ступицы имеет шлицы, которые служат для надежного удержания этого элемента от проворачивания на центральной оси. Изготавливается деталь из прочного металла, который способен выдержать значительные механические нагрузки. Ступица представляет собой цельнолитой элемент, на котором вытачиваются на специальном оборудовании, необходимы для монтажа других элементов отверстия.
Где находится ступица колеса
Если необходимо найти ступицу на автомобиле, то следует обратить внимание на передние колеса. При установленном диске колеса эту деталь практически невозможно обнаружить, поэтому для выполнения ремонтных или диагностических операций потребуется поддомкратить автомобиль и снять круглую деталь. Устанавливаются ступицы и на задние колеса, но в таких изделиях, как правило, отсутствует возможность поворота.
Ступица колеса имеет круглую форму. В середине детали будет находиться отверстие, в котором можно обнаружить подшипниковый узел. Деталь, предназначенная для уменьшения трения, может быть различной конструкции.

Для чего нужна ступица колеса
Ступица оснащается качественным подшипником, который способен выдерживать значительные нагрузки. Благодаря этому качеству удается обеспечить надежную опору колесам даже во время движения автомобиля в сложных дорожных условиях. Ступичный узел применяется также для удержания элементов тормозной системы (диска или барабана), и обеспечения передачи крутящего момента на колеса автомобиля от двигателя, если устанавливается на ведущем мосте или на ШРУСе. Благодаря наличию этой детали вращение оси колеса осуществляется при минимальном уровне трения.
На автомобилях, оснащенных системой антиблокировки тормозов, на ступице может быть установлен специальный датчик.
Виды ступиц и подшипников, и для чего они нужны
Ступицы могут устанавливаться на управляемые и неуправляемые оси. Как правило, на современном автомобиле первая категория деталей может встречаться только на передних колесах. Устанавливаются неуправляемые ступицы на задних колесах автомобилей.
Ступицы могут быть установлены на ведущие колеса. В таких устройствах имеются шлицы под ШРУСы или полуоси. На устройствах, не участвующих в передаче крутящего момента, внутренняя поверхность серединного отверстия не имеет насечек.
Кроме особенности конструкции ступицы могут существенно отличаться по типу подшипника, который устанавливается в эту деталь. Ступичные подшипники могут быть следующих типов:
- Радиальными.
- Упорными.
- Радиально-упорными.
- Упорно-радиальными.
Наиболее часто на современных автомобилях применяются ступичные подшипники радиально-упорного типа.
Устройство ступицы
Основным элементом ступицы является обод. На этом элементе могут располагаться шпильки или отверстия для болтов. Во внутреннем отверстии детали находится специальное посадочное место, в которое устанавливается подшипник. Серединное отверстие также предназначено для полуоси. На современных автомобилях также имеется гнездо для монтажа датчика ABS.
Устройство ступицы очень простое, но для обеспечения безопасной эксплуатации эта деталь должна быть в идеальном состоянии. Правильная диагностика технических недостатков и своевременное их устранение позволит поддерживать автомобиль в идеальном техническом состоянии.
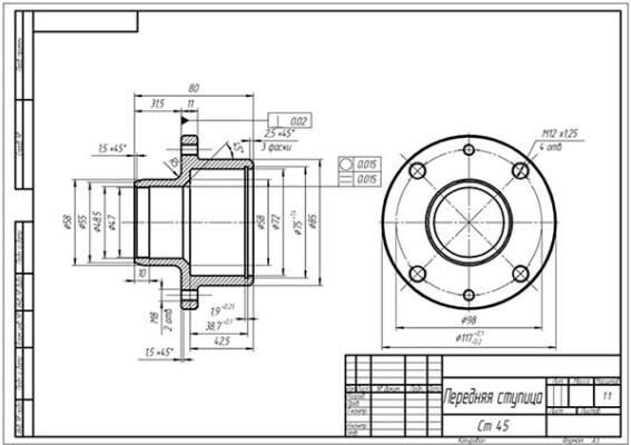
Чертеж ступицы
Автомобильная ступица имеет очень простую конструкцию и схему, но самостоятельно такое изделие может изготовить только токарь высокой квалификации при наличии подходящей заготовки. Все элементы в чертеже ступицы четко выверены и сбалансированы, поэтому при правильном производстве детали, даже при значительном вращении во время эксплуатации, будут отсутствовать какие-либо биения или виляния колеса.
Причины и признаки поломки ступицы
Ступица может быть повреждена даже при замене колеса. При дорожно-транспортном происшествии эта деталь также может выйти из строя. Столкновение автомобилей не является обязательным условием выхода из строя ступицы. Если на большой скорости въехать в глубокую выбоину на дороге, то эта деталь также может быть легко повреждена.
Часто ступицу невозможно продолжать эксплуатировать по причине выхода из строя подшипника. Причиной этому может как естественный износ детали, так и повреждение в результате эксплуатации машины в сложных дорожных условиях. Иногда подшипник выходит из строя, когда повреждается пыльник изделия. В результате грязь попадает внутрь подвижных элементов и вызывает преждевременную поломку детали.
Эксплуатация автомобиля с поврежденной ступицей может стать причиной ДТП. Даже если дорожно-транспортного происшествия не произойдет, все равно потребуется заменить деталь, иначе возможен выход других устройств и механизмов, которые непосредственно контактируют с этим элементом.
Советы, как определить и диагностировать неисправность
Определить неисправность ступицы колеса можно по наличию стуков со стороны подвески во время движения автомобиля по причине наличия значительного люфта. Этот диагностический признак можно перепутать с другими нарушениями в системах и агрегатах автомобиля, поэтому потребуется выполнить более детальную диагностику.
Наиболее часто из строя выходит ступичный подшипник. Эта деталь будет издавать постоянный гул при неисправности. Усиливаться шум будет во время выполнения поворота, если неисправная деталь находится на переднем колесе.
Наиболее характерными симптомами неисправности ступицы являются:
- Неравномерный износ покрышек.
- Колесо может притормаживать.
- Увод автомобиля от прямолинейного движения.
- Появление постоянного гула.
При значительном износе ступичного подшипника также может наблюдаться вибрация, которая распространяется по всему кузову автомобиля. Подобное явление негативно влияет на все части автомобиля, поэтому следует как можно скорее приступить к ремонту ступицы при наличии подобного симптома.
Даже в том случае, когда ступица не полностью вышла из строя ее рекомендуется заменить. Например, чрезмерный износ внутренних шлицов на ступицах ведущих колес может стать причиной износа полуосей. Если износились резьбовые отверстия под болты колес, то ступицу также потребуется заменить.
Как заменить или отремонтировать ступицу
При поломке ступицы потребуется срочная замена детали. Эксплуатация автомобиля с неисправным элементом может быть опасна, поэтому важно не только вовремя установить новый элемент, но и выполнить эту работу правильно. Работа по замене детали осуществляется в такой последовательности:
- Демонтировать колесо со ступицей. Гайку ступицы следует освободить от фиксатора и начать откручивать, затем следует слегка открутить гайки или болты колеса. Приподняв сторону автомобиля, где осуществляются ремонтные работы, на домкрате снимается вначале колесо. Затем следует осуществить демонтаж суппорта, шаровой опоры, приводного вала и ступицы (шаровую опору и приводной вал необходимо демонтировать только при замене ступицы переднего колеса).
- В новую ступицу запрессовывают ступичный подшипник.
- Устанавливают ступицу вместе со всеми ранее демонтированными деталями.
Работа по установке новой или отремонтированной детали осуществляется в обратном снятию порядке.
Эксплуатация автомобиля при исправных ступицах позволит избежать многих неприятностей. Прежде всего, повышается комфортность управления машиной, а также обеспечивается более высокий уровень безопасности. Зная о том, где находится этот узел, и как его заменить, чтобы восстановить работоспособность узла можно обойтись без обращения в автосервис.










